Application software BPChecker3000
SD007-PFX
120,000円 (税込:132,000円)
- Application Software
- BPChecker3000
- Compatible with PFX2532/2512
Product Overview
Integrated management from test condition setting to execution and data analysis of test results.
The application software, BPChecker3000 (SD007-PFX), equips with the new features of PFX2512/2532 where test condition and graphical drawing function are emphasized on existing BPChecker2000, and it realizes “Seamless Charge/Discharge” and “High Speed Data Sampling”. At the test condition setting, the test condition (project) is created from database compiled charge/discharge condition (profile).The test execution shows that graphical display function is emphasized in its extraction and overwriting functions for larger data integration.
In addition, synchronized operation with a temperature chambers is capable and the charge/discharge test is comprehensively controlled including temperature control under test environment. Further more, it can be applied to the operation with “CAN Bus” for which demand will be increased accompanied by the technical development of battery management in future.
[Caution] BPChecker3000 is essential for PFX2512/2532 performance. PFX2512/2532 does not work with BPChecker2000.
Test Condition Editor
This program is used to create and edit all of test conditions related to charge/discharge testing. After profile creation, sequence and total settings, etc, are performed to create a project. BPChecker3000 executes the test by the project.
- Capable of setting battery temperature termination conditions (rest temp)
For stop time setting, it is capable to set termination conditions by battery temperature in addition to time setting (fixed time) determined after charge. - Pause function installed
There is the pause function among profile types. Test is able to be paused by using this function.
Test Executive
This program executes charge/discharge tests according to the test condition file created using the Test Condition Editor.
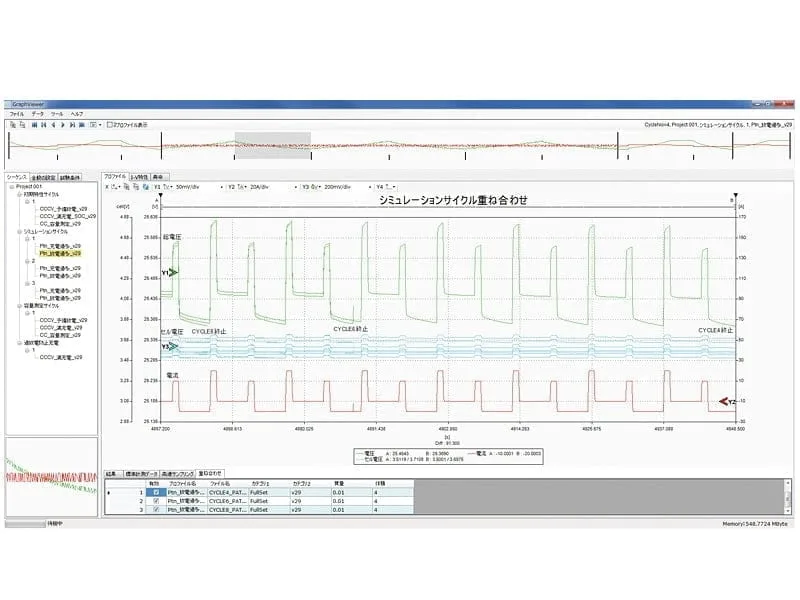
Graph Viewer
This program is used to display the graph of test data on the screen and print the graph. When the Graph Viewer is used, overall analysis is capable to display the calculated value acquired from the test data, and from test data for energy, etc, test conditions in addition to test data graph. The Graph Viewer also able to display overlapped graphs where multiple numbers of graphs are on the screen into one.
Operating environment
- Core i5 or higher
- Windows 10
- 8 GB RAM (Minimum)
- 20 GB or more of free hard-disk space
- A display that supports 1024 x 768 or higher resolution (96 DPI)
- CD-ROM drive
- mouse
- RS232C, USB, or LAN (depending on the interface to use)
- VISA library
If you want to use the software continuously over an extended period, expanding the RAM to 16 GB is recommend.
In case of using a USB serial converter for RS232C connection, the software may not function properly.













